服務熱線
051985800178
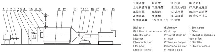
工作原理
燃料通過燃燒器燃燒,產生高溫燃氣。并借助具有強化換熱措施的熱風爐將高溫燃氣的熱量傳導給被加熱的空氣,高溫燃氣經熱量散發后溫度降低至250℃后排到大氣中。需加熱的空氣通過選配的鼓風機強送入熱風爐,吸熱后溫度升至額定值從熱風出口處送出,當熱風溫度達到額定溫度上限時,燃燒器會自動停止燃燒或自動轉為小火焰燃燒,當熱風溫度降低到額定下限溫度時,燃燒器又會重新點燃運行或轉為大火燃燒,升溫的速度可以調節進風閥的開度來實現。


| 型號 | 燃燒器型號 | 燃油量kg/h | 供熱量104kcal/h | 外形尺寸L×W×Hmm | 熱風口L×Wmm | 總重kg |
| RLY1 | RIELLO.G3/DL3FS | 1.3-1.6 | 1 | 1200×1200×1600 | Φ200 | 460 |
| RLY4 | RIELLO.G10/DL10FS | 5-6.5 | 4 | 1700×1300×1600 | Φ250 | 850 |
| RLY10 | RIELLO.G20/DL23FS | 13-16 | 10 | 2300×1568×1870 | Φ300 | 2200 |
| RLY20 | RIELLO 1G/DL34FS | 26-32 | 20 | 2800×1568×1870 | Φ400 | 2670 |
| RLY30 | RL50/DL55FT | 39-48 | 30 | 3400×1568×1870 | Φ450 | 3060 |
| RLY40 | RL70/DL75FT | 52-64 | 40 | 4440×1768×2070 | Φ550 | 5600 |
| RLY60 | RL100/DL100FT | 78-96 | 60 | 5140×1868×2070 | Φ600 | 8460 |
| RLY100 | PRESS 4G/DL 120FT | 130-140 | 100 | 6440×2480×2300 | 550×600 | 12800 |
| RLY160 | P300/DL250FT | 200-270 | 160 | 7470×2920×3480 | 750×900 | 15780 |
| RLY200 | P300/DL300FT | 260-300 | 200 | 8175×2920×3480 | 750×900 | 18500 |
| RLY360 | G1510 | 480-620 | 360 | 9300×2920×3480 | 21000 |
?